Самовсмоктувальний насос для брудної води зі стандартним двигуном для монтажу у незануреному стані Wilo-Drain LP
Ціна в ЄВРО з ПДВ (наявність і ціну в грн уточнюйте).
| LP40/10-1-230 | 289,46 |
Особливості/переваги
- Просте обслуговування завдяки об'єднання ємному комплекту постачання
Конструкція
Самовсмоктувальний насос для брудної води зі стандартним двигуном для монтажу у незануреному стані
Застосування
Перекачування
- Брудна вода
- Технічна вода
- Озерна вода
Спорядження/функціонування
NO VALUE
Характеристики Wilo-Drain LP 40/10 - 50 Гц - 2900 об/хв

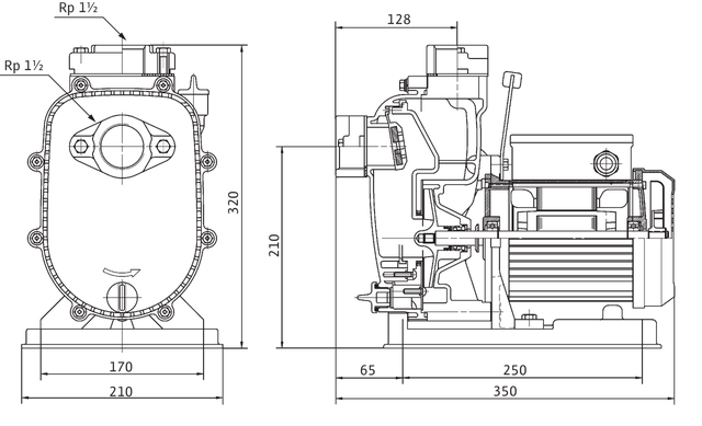
Габаритне креслення Wilo-Drain LP 40/10

Типовий код
|
Наприклад: |
Wilo-Drain LP 40/10 |
|
LP |
Самовсмоктувальний насос |
|
40 |
Номінальний внутрішній діаметр (1½") |
|
10 |
Максимальна висота подачі в м |
Технічні характеристики
- Під'єднання до мережі: 1~230 В, 50 Гц
- Клас захисту: IP44
- Температура перекачуваного середовища: 3 ... 35 °C
- Всмоктувальний і напірний патрубки: Rp 1½
- Макс. висота всмоктування: 6 м
Матеріали
- Корпус насоса: PP
- Робоче колесо: Латунь
- Вал: 1.4006
- Ковзне торцеве ущільнення: C/Cr
- Статичні ущільнення: NBR
- Корпус двигуна: Al
Конструкція
Відцентровий Самовсмоктувальний насос у блочному виконанні для пересувного та стаціонарного сухого монтажу, не придатний для роботи у зануреному стані.
Гідравліка з горизонтальним всмоктувальним патрубком і вертикальним напірним патрубком. Як робоче колесо використовується вільнопротічне колесо. Привід уявлень стандартним двигуном. Гідравліка та двигун мають спільний вал. Стійкий монтаж здійснюється за допомогою вібропоглинальної опорної плити.
Стан постачання
- Насос
- 2 зустрічні фланці з внутрішньою різьбою G 1 ½
- Інструкція з монтажу та експлуатації
| Основні | |
|---|---|
| Виробник | Wilo |
| Країна виробник | Німеччина |
| Користувальницькі характеристики | |
| Ступінь захисту | IP 44 |
| Температура перекачується рідини | +3 ... +35 °C |
| Підключення до мережі | 1~230 B, 50Гц |
| Макс. напір | 12 m |
- Ціна: 14 202 ₴


